Chick OneLOK
Single Station CNC Vice
Key Features
- Setup in record time with quick change BoltFast™ jaws and the QwikSlide ratchetting movable jaw
- Precise jaw location and zero jaw lift mean high precision clamping and maxiumum workpiece rigidity
- At nearly half the weight of 1950 style vises and with an ergonomic handgrip, the OneLOK can be handled with ease.
- OneLOK’s sealed design eliminates “chip traps” for cleaner operation.
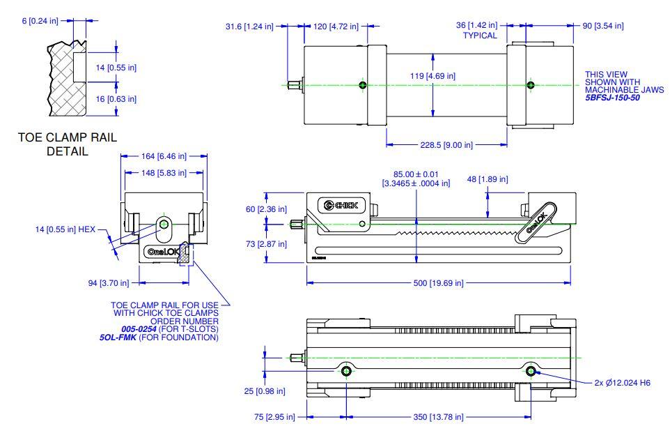
Description
OneLok is a modern alternative to a traditional cast iron vice. It is at home in all CNC milling environments but it excels in low volume applications like toolroom's and prototyping shops. OneLok has a quick-change jaw system and can accept hard, stepped or aluminium soft jaws. It has a QwikSlide mechanism that reduces the need to wind the handle and a built-in mechanism to eliminate jaw lift. Due to the precision workpiece location, OneLok can grip workpieces with high levels of rigidity at minimum clamping forces but can deliver 26.7 kN of clamping force if required. Includes BoltFast Standard Soft Jaw Set, Standard Toe Clamp Set, Swivel Wrench, and T-Wrench
Estimated delivery: Next Day (subject to availability)
Dimensions
| # | Part No | Length (mm) | Width (mm) | Height (mm) | Max. Capacity (mm) | Max. Grip Force | Drawings | Price | ||
|---|---|---|---|---|---|---|---|---|---|---|
| 1 | 5OL1540 | 400 | 164 | 134 | 180 | 26.7kN |
|
Original price was: £2,373.00.£1,779.75Current price is: £1,779.75. | ||
| 2 | 5OL1550 | 500 | 164 | 134 | 280 | 26.7kN |
|
Original price was: £2,373.00.£1,779.75Current price is: £1,779.75. |










